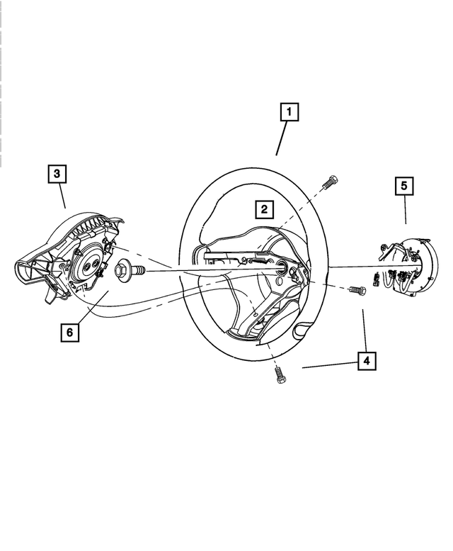
Steering Wheel for 2003 Dodge Viper
Steering Wheel for 2003 Dodge Viper
No.
Part # / Description / Price
4
Hex Flange Head Bolt, Mounting
Mopar
Mopar Hex Flange Head Screw, Air Bag Module To Steering Wheel
M6X1.00X23.00. Oil Cooler To Oil Cooler Bracket
6
2 This part contains hazardous materials. Extra shipping costs apply.