Start the year strong with free shipping on orders $200+ — automatically applied at checkout (up to $50). Ends 1/31/26.

Mopar® Authentic Parts & Accessories

hamburger

Select a Vehicle

Categories

Browse Categories

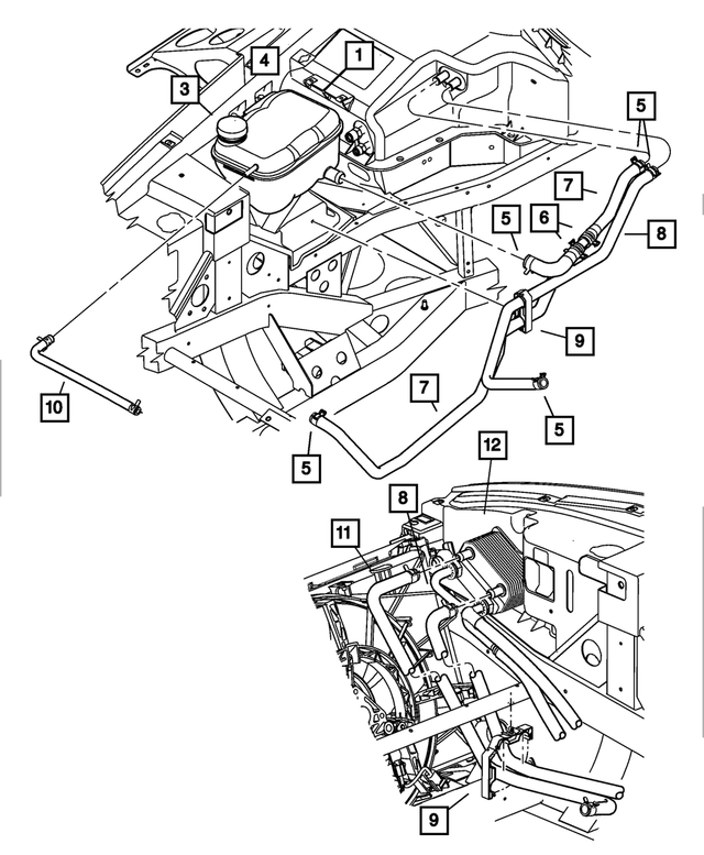
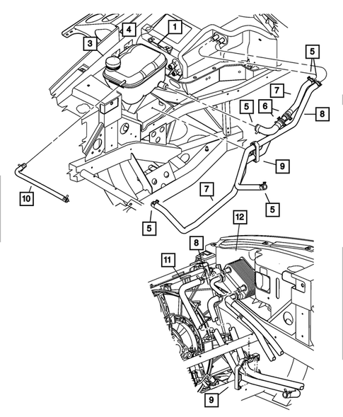
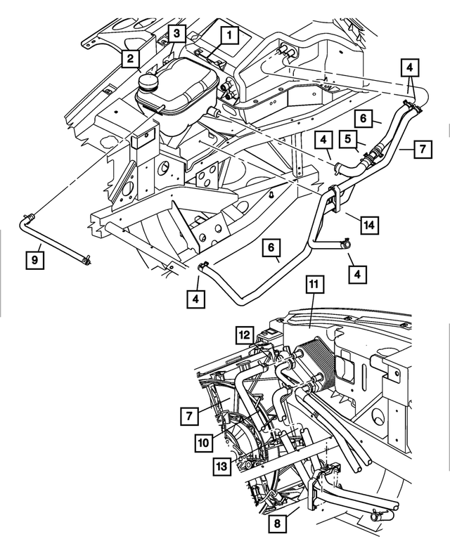
Tank, Coolant Engine for 2003 Dodge Viper

Tank, Coolant Engine for 2003 Dodge Viper #0
No.
Part # / Description / Price
N/A
Coolant Recovery Bottle Hose
Mopar Mopar

Overflow Hose

Short, curved hose

3
Radiator Cap
MSRP $37.85
Mopar Mopar

[ nmc=nms]. Radiator. Tank. 04596198.

4
Truss Head Screw And Washer, Quarter Panel
Mopar Mopar

Truss Head Screw And Washer

M6-1.00x30.00. L-Bracket To Frame

4
Truss Head Screw And Washer
MSRP $11.05
Mopar Mopar

M6X1.00X30.00. A-Pillar Molding Attach

5
Supply Hose Clamp, Mounting
Mopar Mopar

Supply Hose Clamp

26 mm Diameter. [Open DIameter = M26.0 THK=1.30]. Oil Cooler To Water Inlet

5
Supply Hose Clamp, Mounting
MSRP $8.60
Mopar Mopar

Supply Hose Clamp

26 mm Diameter. [Open DIameter = M26.0 THK=1.30]. Oil Cooler To Water Inlet

6
Hose Clamp
MSRP $18.35
Mopar Mopar

27X15. Power Steering Hose To Power Steering Pump and Reservoir