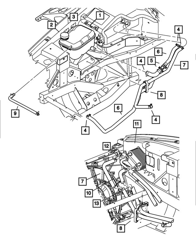
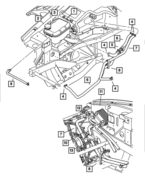
Air Conditioner and Heater Plumbing for 2003 Dodge Viper
No.
Part # / Description / Price
N/A
Hex Head Screw And Washer, Mounting
Mopar
MSRP $23.60
Mopar Screw
M8x1.25x30. Timing Case Cover Support Bracket To Cylinder Block
9
11
A/c Line O Ring, Suction Line To Compressor
Mopar
Mopar A/c Line O Ring
Valve. To Accumulator. Switch. Up to 12-01-03. 5/8 Inch Red In Color.
No.
Part # / Description / Price
3
Truss Head Screw And Washer, Quarter Panel
Mopar
Mopar Truss Head Screw And Washer
M6-1.00x30.00. L-Bracket To Frame
4
Supply Hose Clamp, Mounting
Mopar
MSRP $8.60
Mopar Supply Hose Clamp
26 mm Diameter. [Open DIameter = M26.0 THK=1.30]. Oil Cooler To Water Inlet
4
Supply Hose Clamp, Mounting
Mopar
Mopar Supply Hose Clamp
26 mm Diameter. [Open DIameter = M26.0 THK=1.30]. Oil Cooler To Water Inlet
5

