Air Conditioner and Heater Units for 2001 Dodge Durango
No.
Part # / Description / Price
N/A
Hex Head Screw And Washer, Mounting
Mopar
Mopar Hex Head Screw And Washer
.164-18x1.0. Inner Sill Exhaust Heat Shield To Frame
N/A
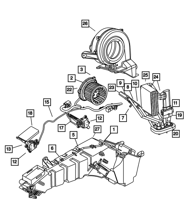
22
Blend Air Module
Mopar
Mopar MODULE - BLEND AIR HOUSING, - BLEND DOOR DIVERTER DOOR ,- BLEND DRIVE DOOR, LINK - BLEND DOOR SHAFT, BLEND AIR DOOR
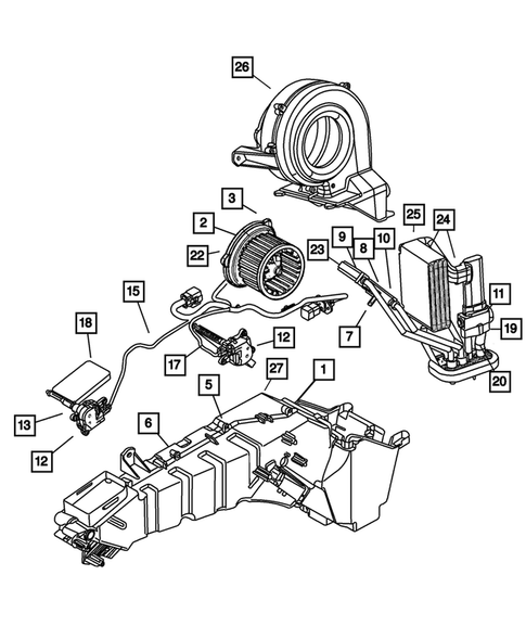
22
Blend Air Module
Mopar
Mopar Module - blend air housing, - blend door diverter door ,- blend drive door, link - blend door shaft, blend air door.
No.
Part # / Description / Price
12
A/c And Heater Actuator
Mopar
Mopar A/c Temperature Door Servo
Includes: Bracket and Lever. After 03/17/06
12
A/c And Heater Actuator
Mopar
Mopar A/c Temperature Door Servo
Includes: Bracket and Lever. After 03/17/06

