Cylinder Block for 2015 Ram 3500
Mopar Item 13 Pin Kit Also Contained in Short Block Engine Kit. All Plugs And Dowel Pins Must Be Installed On Cylinder Block Before Installing Engine.. Cylinder Heads To Cylinder Block
Mopar Block To Clutch Housing Dowel
[1/2 x 3/4]. Cylinder Block To Transmission
Mopar Dowel Pin, Mounting
Also Serviced In Retainer Package
Mopar M6X1.00X24.00. Rear Crankshaft Seal Retainer To Cylinder Block
Mopar Hex Flange Head Bolt, Mounting
[M8X1.25X45.00]. Main Bearing Cap To Cylinder Block
Mopar New Part Number For 2013. Not Interchageable With 2012 And Below Crankshaft
Mopar Hex Flange Head Bolt, Mounting
M14x2.00x80.00. [M12x1.75x91.2]. Main Bearing Cap To Cylinder Block
Mopar Double Ended Stud, Mounting
M12X1.75X1.25X152.10. Main Bearing Cap To Cylinder Block
Mopar Mds Solenoid. For Engines Without Multi-Displacement System
Mopar Hex Head Bolt And Coned Washer, Mounting
M6X1.00X14.00. Heat Shield to Power Transfer Unit
Mopar Item 13 Pin Kit Also Contained in Short Block Engine Kit. All Plugs And Dowel Pins Must Be Installed On Cylinder Block Before Installing Engine.. Cylinder Heads To Cylinder Block
Mopar Block To Clutch Housing Dowel
[1/2 x 3/4]. Cylinder Block To Transmission
Mopar Dowel Pin, Mounting
Also Serviced In Retainer Package
Mopar M6X1.00X24.00. Rear Crankshaft Seal Retainer To Cylinder Block
Mopar Hex Flange Head Bolt, Mounting
[M8X1.25X45.00]. Main Bearing Cap To Cylinder Block
Mopar Dowel Pin
M8X10.00. Front Timing Case Cover To Cylinder Block
Mopar New Part Number For 2013. Not Interchageable With 2012 And Below Crankshaft
Mopar Hex Flange Head Bolt, Mounting
M14x2.00x80.00. [M12x1.75x91.2]. Main Bearing Cap To Cylinder Block
Mopar Double Ended Stud, Mounting
M12X1.75X1.25X152.10. Main Bearing Cap To Cylinder Block
Mopar Mds Solenoid. For Engines Without Multi-Displacement System
Mopar Hex Head Bolt And Coned Washer, Mounting
M6X1.00X14.00. Heat Shield to Power Transfer Unit
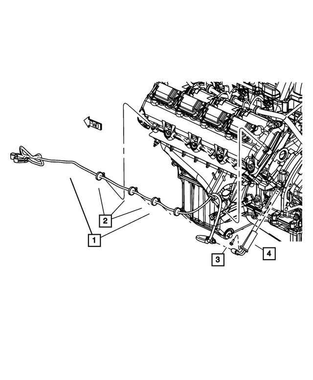
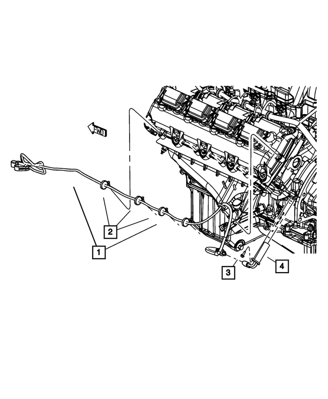
Mopar Includes Mounting Hardware. Engine Block Heater To Cylinder Block.
Mopar Hex Head Bolt
M6x1.00x20.00. Engine Block Heater To Cylinder Block
Mopar Includes Mounting Hardware. Engine Block Heater To Cylinder Block.



