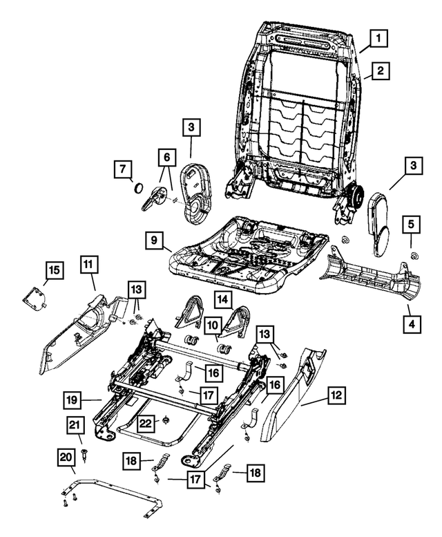
Front Seats - Adjusters, Recliners, Shields and Risers for 2012 Jeep Patriot
No.
Part # / Description / Price
3
No.
Part # / Description / Price
4
No.
Part # / Description / Price
5
34
No.
Part # / Description / Price
5




Mopar