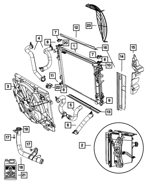
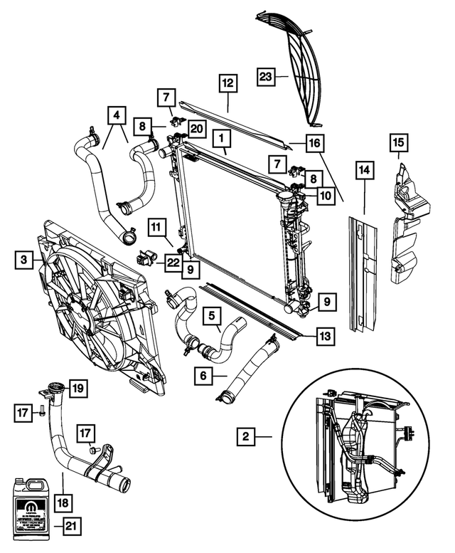
Radiator and Related Parts; Charge Air Cooler for 2009 Chrysler Town & Country
Mopar Radiator Complete with Isolator,Hoses,Cap,Upper and Side Shields,Cooler Condenser and Transmission,Fan Module,Recovery Bottle
Mopar Hex Head Bolt And Washer
M8X1.25X20.00. Balance Shaft Assembly To Cylinder Block
Mopar U-nut
Mopar Service Kit for Heavy Duty Cycle Operation. For Extreme Heat Conditions Only. Includes: Cooler, Bracket,U-Nut,Screw,Washers
Mopar Gallon. Standard MS-9769; [128 Fluid Ounces] Minimum Ship Quantity of 6 gallons.. Concentrate
Mopar Gallon. Standard MS-9769. [128 Fluid Ounces] 50/50 Mix, Minimum Ship Quantity of 6 gallons. 3,8 A A 41,42,62,81,
Mopar Gallon. Standard MS-9769; [128 Fluid Ounces] Minimum Ship Quantity of 6 gallons.. Concentrate
Mopar Connected to the front end lighting wiring harness. Resistor is mounted to the upper right side on the back of the cooling fan.
Mopar M6X1.00X25.00. Center Fascia Support Bracket To Deck Panel. Center Fascia Support Bracket To Deck Panel
Mopar Fender Front Carrier Mounting Bracket, Right
M6.3X2.22X25.50. Carrier Mounting
Mopar Includes All Fasteners and Hood Bumpers Needed For Attachment of the Front End Module

