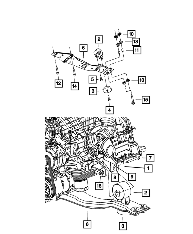
Engine Mounting for 2009 Chrysler Sebring
Mopar M10X1.50X90.00. Torque Support To Engine Mount
Mopar M10x1.50x50. Front Engine Mount To Engine Member Restraint Assembly [M10x1.50x50.00]
Mopar Front Suspension Crossmember, Front
FRONT SUSPENSION
Mopar M10X1.50X130.00. Rear Engine Mount Through Bolt [M10x1.50x130.00]
Mopar Hex Flange Head Bolt
M10X1.25X45.00. Timing Chain Cover To Cylinder Block
Mopar M10x1.50x40.00. Park Brake Cable Guide to Left Frame Rail
Mopar M10X1.50X60.00. Right Side Rear Cross Brace Adapter Bracket To Body
Mopar Hex Head Bolt And Coned Washer, Mounting
M12X1.75X55.00. Engine Mount To Front Lower Bracket
Mopar M10X1.50X130.00. Rear Engine Mount Through Bolt [M10x1.50x130.00]
Mopar M10x1.50x25.00. Heater Hose & Tube Return To Transaxle [M10x1.50x25.00]
Mopar Hex Flange Head Bolt, Mounting
M10x1.50x35.00. Isolator Assembly to Cradle
Mopar Hex Head Bolt And Coned Washer, Mounting
M12X1.75X40.00. RAIL EXTENSION TO REAR RAIL
Mopar Hex Flange Head Bolt, Mounting
M10x1.50x35.00. Isolator Assembly to Cradle
Mopar M10X1.5X65.00. Front Engine Support To Cradle Middle Location [M10x1.5x65.0]



