Air Conditioner and Heater Plumbing for 2007 Dodge Charger
No.
Part # / Description / Price
N/A
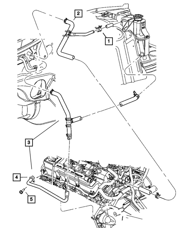
2
3
4
5
6
7
8
9
10
11
12
Hex Flange Nut, Mounting
Mopar
MSRP $4.90
$3.34
Mopar Hex Flange Lock Nut
M6X1.0. Lower Oil Pan To Upper Oil Pan
13
Hex Head Screw
Mopar
MSRP $5.50
$3.68
Mopar M6x1x20. [.250-14X.750]. A/C OR HEATER UNIT BRKT TO COWL PLENUM
15
A/c Line Gasket & O Ring Kit
Mopar
Mopar Includes 1 O-rings and 1 Gasket. Either Suction Line, Accumulator End
16
A/c Line Gasket
Mopar
MSRP $5.65
$3.80
Mopar A/c Suction And Liquid Gasket
Includes 2 O-rings and 1 Gasket For Compressor End. Accumulator And Compressor End
17
18
Hex Nut-coned Washer Nut And Washer
Mopar
MSRP $11.30
$7.76
Mopar Hex Nut And Washer
M8 x 1.25. Liquid Line/Filter Drier to Shock Tower Mounting
20
21
22
23
Condenser And Trans Cooler Cooler
Mopar
MSRP $539.00
$371.45
Mopar With Drier - NOTE:25 pc min Qty Mix and Match Pallet Program only, Use mopar.com to order, Magneti-Marelli Parts tab
23
Condenser And Trans Cooler Cooler
Mopar
Mopar With Drier - NOTE:25 pc min Qty Mix and Match Pallet Program only, Use mopar.com to order, Magneti-Marelli Parts tab
No.
Part # / Description / Price
2
5
No.
Part # / Description / Price
4

