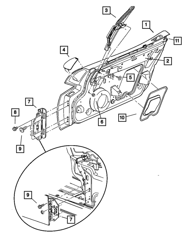
Front Door for 2006 Dodge Viper
No.
Part # / Description / Price
N/A
Tie Strap
Mopar
MSRP $0.45
$0.29
Mopar For Electrical Connector Repair Information Visit The Electrical Connector Website. Battery Harness To Bracket
N/A
2
Hex Head Bolt, Mounting
Mopar
MSRP $9.00
$6.15
Mopar Hex Head Screw And Washer
M6x1.00x20.00. Engine Block Heater To Cylinder Block
4
4
6
6
No.
Part # / Description / Price
1
2
5
Hex Head Screw And Washer
Mopar
MSRP $9.30
$6.38
Mopar M6x1x25. IP To BIW. Front Floor Pan Center To IP Bracket
6
7
9
10
10
11
Shock Tower Hole Plug, Right & Left
Mopar
MSRP $10.55
$7.25
Mopar Plug
Sunroof Drain Tube Hole. Sunroof Drain Tube Hole
No.
Part # / Description / Price
N/A
N/A
1
4
Tapping, Button Head Screw, Mounting
Mopar
Mopar Tapping, Button Head Screw
M6 X 1.00 X 18.00. Fuel Door to Quarter Panel
5
6
6
7


