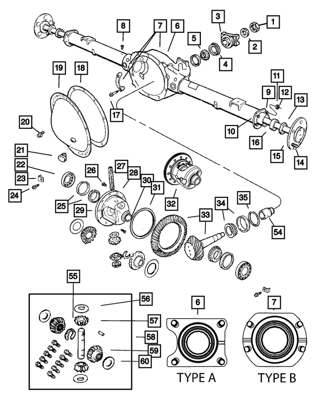
Differential and Housing for 2006 Dodge Durango
Mopar Hex Head Screw And Washer
.250-20x.500. Differential Bearing Adjusting Lock to Bearing Cap
Mopar Ring Gear Bolt
With M10x1.00x21MM Ring Gear Bolts. [m10-1.00]. [dsc,ds8]. Hex Head-M10x1.00x21.00MM.
Mopar Hex Head Screw
.312-18x1.80. Also Serviced in Differential Gear Package. Pinion Shaft to Differential Case
Mopar Pinion Gear Washer, Thrust
Also Serviced In Item 56. Also Service in Differential Gear Package.
Mopar Also Serviced In Item 56. Also Serviced In Differential Gear Package. [-DSA].
Mopar Hex Head Screw And Washer
.250-20x.500. Differential Bearing Adjusting Lock to Bearing Cap
Mopar Also Serviced in Differential Gear Package. Also Serviced in Item 56.
Mopar Hex Head Screw
.312-18x1.80. Also Serviced in Differential Gear Package. Pinion Shaft to Differential Case
Mopar Drive Pinion Bearing Package, Rear
Bearing and Cup
Mopar Pinion Gear Washer, Thrust
Also Serviced in Item 56. Also Serviced In Differential Gear Package. [-DSA].
Mopar Side Gear Thrust Washer Package
Also Serviced in Item 56. Also Serviced in Differential Gear Package. [-DSA].

