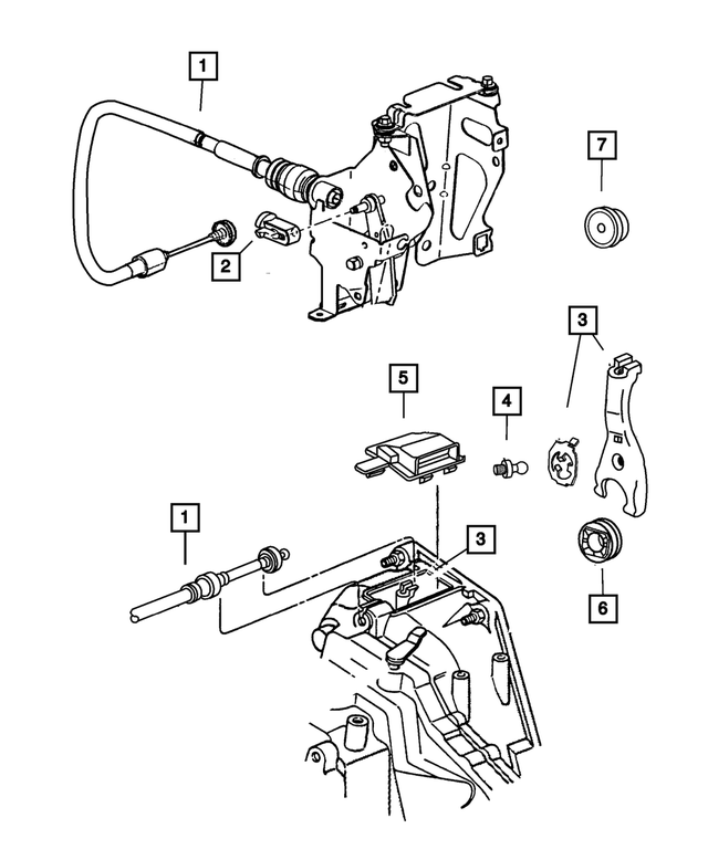
Clutch Controls for 2004 Dodge Stratus
No.
Part # / Description / Price
N/A
M6x1.0x6 Lock Nut, Stop Lamp Switch Bracket Mounting
Mopar
Mopar M6x1.0x6 Lock Nut
Manual Latch. Stop Lamp Switch Mounting Bracket. Reservoir Mounting. Hex Flange Locking Coller Tube Attach. Oil Pan Attaching. Upto and Including 07-04-00. Up To 07-04-00. Brake Pedal Sensor Mounting.
N/A
Hex Flange Lock Nut, Mounting
Mopar
MSRP $7.80
$5.23
Mopar M6x1.0x6 Lock Nut
M6X1.00. Exhaust Manifold Heat Shield And Engine Oil Indicator Tube To Exhaust Manifold
5
Hex Nut-coned Washer Nut And Washer
Mopar
MSRP $11.30
$7.76
Mopar M8 x 1.25. Liquid Line/Filter Drier to Shock Tower Mounting
6
No.
Part # / Description / Price
2
No.
Part # / Description / Price
5


