Start the year strong with free shipping on orders $200+ — automatically applied at checkout (up to $50). Ends 1/31/26.

Mopar® Authentic Parts & Accessories

hamburger

Select a Vehicle

Categories

Browse Categories

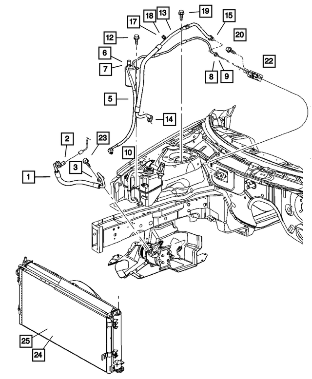
Air Conditioner and Heater Plumbing for 2004 Dodge Durango

Air Conditioner and Heater Plumbing for 2004 Dodge Durango #0 Air Conditioner and Heater Plumbing for 2004 Dodge Durango #1
Air Conditioner and Heater Plumbing for 2004 Dodge Durango #0
No.
Part # / Description / Price
N/A
Condenser Cooling Fan Module
Mopar Mopar

Includes: Fan, Shroud, Motor

N/A
Expansion Valve O Ring
MSRP $12.70
Mopar Mopar

1/2 Expansion Valve to Liquid Line

2
A/c Check Valve Cap, Service And Charge Valve
Mopar Mopar

A/c Check Valve Cap

[haa,had]. Accumulator.

4
A/c Check Valve Cap
MSRP $13.35
Mopar Mopar

After 01-09-2002

5
Charging Valve
MSRP $36.90
Mopar Mopar

After 01-09-2002

6
A/c Line O Ring
MSRP $9.45
Mopar Mopar

To Expansion Valve. Red 1/2 inch

7
8
A/c Line Gasket & O Ring Kit
Mopar Mopar

Includes 1 O-rings and 1 Gasket. Either Suction Line, Accumulator End

12
Hex Head Screw, Mounting
MSRP $11.30
Mopar Mopar

Screw

M6X1.00X25.00. Transfer Case Floor Shifter Cover Plate To Floor

13
Hex Nut-coned Washer Nut And Washer
MSRP $11.30
Mopar Mopar

M8 x 1.25. Liquid Line/Filter Drier to Shock Tower Mounting

15
A/c Line Gasket & O Ring Kit
Mopar Mopar

Contains 5103428AA- Gasket and 5102355AA - O-Ring

16
Hex Flange Lock Nut
MSRP $4.45
Mopar Mopar

M6x1. IBS To Battery Negative Wiring. MAIN BATT IBS TO NEG CABLE

18
Rivet
MSRP $6.20
Mopar Mopar

.197 Grip-.187-.375. Bracket to Lower Fascia

27
Air Conditioning Condenser
Mopar Mopar

NOTE:25 pc min Qty Mix and Match Pallet Program only, Use mopar.com to order, Magneti-Marelli Parts tab

30
Bracket
Mopar Mopar

Condenser To Shroud

34
Tapping Screw
Mopar Mopar

Oxygen Sensor Wiring Bracket attaching

No.
Part # / Description / Price
N/A
A/c Quick Disconnect Clip
Mopar Mopar

Quick (Suction) Connect

N/A
Quick Connect O Ring Kit
Mopar Mopar

Up to 01-09-2002, after 01-09-2002 use 4882136

3
A/c Line O Ring
Mopar Mopar

High Pressure O Ring

After 01-09-2002

4
Hex Flange Head Bolt, Mounting
MSRP $8.90
Mopar Mopar

Tapping Hex Flange Head Screw

M6.3X1.81X20.00. Engine Oil Level Indicator Tube To Cylinder Block And Front Timing Case Cover

5
Hex Flange Lock Nut
MSRP $4.45
Mopar Mopar

M6x1. IBS To Battery Negative Wiring. MAIN BATT IBS TO NEG CABLE

7
A/c & Heater Lines Cap
Mopar Mopar

A/c & Heater Lines Bracket

8
A/c & Heater Lines Cap
Mopar Mopar

A/c & Heater Lines Bracket