Carpet, Mats, and Silencers for 2003 Dodge Stratus
No.
Part # / Description / Price
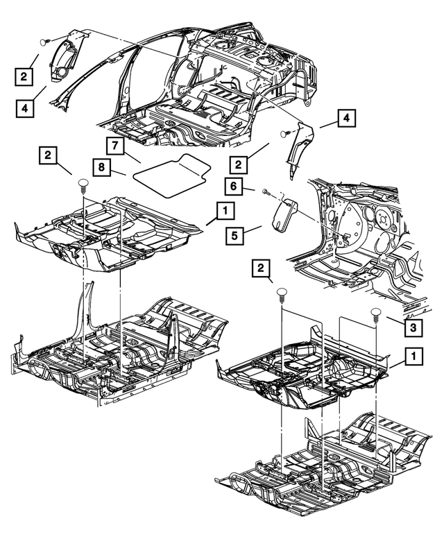
2
Push Pin, Right
Mopar
MSRP $7.95
$5.46
Mopar Retainer Pin
M6.3X23.00. Wheelhouse Carpet Attach - 5 Per Side
7
7
No.
Part # / Description / Price
N/A
Cargo Net Hook, Lower
Mopar
Mopar Cargo Net Hook
These Hooks Must Be Heated To Active The Glue On The Hook
N/A
1
2
3
Push Pin, Right
Mopar
MSRP $7.95
$5.46
Mopar Retainer Pin
M6.3X23.00. Wheelhouse Carpet Attach - 5 Per Side
7
Luggage Compartment Carpet, Right
Mopar
Mopar Wheel House, Without Antenna (United States, Canada and Export
7
No.
Part # / Description / Price
8
Push Pin, Right
Mopar
MSRP $7.95
$5.46
Mopar Retainer Pin
M6.3X23.00. Wheelhouse Carpet Attach - 5 Per Side


