Mopar® Authentic Parts & Accessories
Select a Vehicle
Cart is Empty
Make/Model
VIN
Locate Vin
Models
Parts
Accessories
2002 Dodge Stratus
SE 2.7L V6 - Gas
Change Vehicle
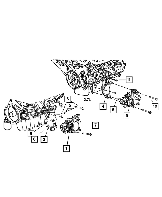
Up to 07-21-2003, Sanden
M8x1.25x30. Canister to Bracket
Bolt
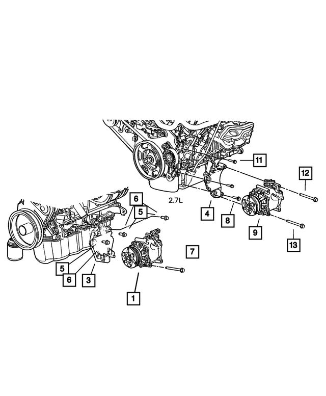
A/C COMPRESSOR