Start the year strong with free shipping on orders $200+ — automatically applied at checkout (up to $50). Ends 1/31/26.

Categories

Browse Categories

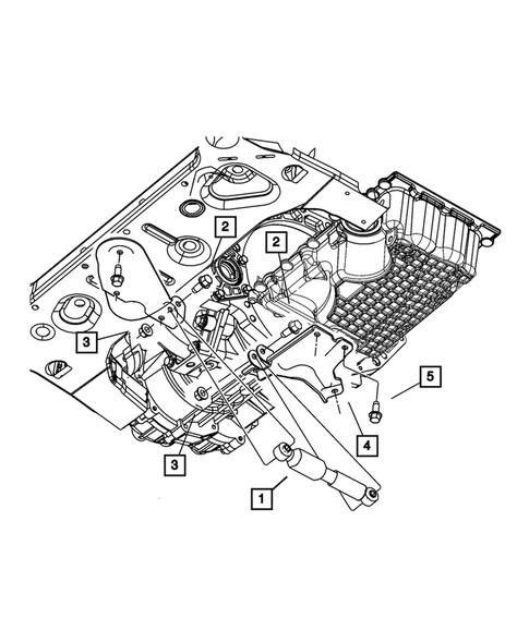
Transaxle Assembly for 2002 Dodge Stratus

Transaxle Assembly for 2002 Dodge Stratus #0 Transaxle Assembly for 2002 Dodge Stratus #1
No.
Part # / Description / Price
N/A
Dowel Pin, Mounting
MSRP $9.45
Mopar Mopar

Block To Clutch Housing Dowel

Item 13 Pin Kit Also Contained in Short Block Engine Kit. All Plugs And Dowel Pins Must Be Installed On Cylinder Block Before Installing Engine.. Cylinder Heads To Cylinder Block

N/A
Hex Head Bolt And Coned Washer, Mounting
Mopar Mopar

Hex Head Bolt And Coned Washer

M6x14x12.5. Heater Feed Tube To Lower Intake Manifold

7
Hex Head Bolt And Washer
Mopar Mopar

M10x1.5x35. Timing Belt Cover Inner to Head Left

1 This price excludes a refundable manufacturer's core charge. Add the part to your cart to see the core charge.