Start the year strong with free shipping on orders $200+ — automatically applied at checkout (up to $50). Ends 1/31/26.
Engine Controller Module - Mopar (R4896784AE)

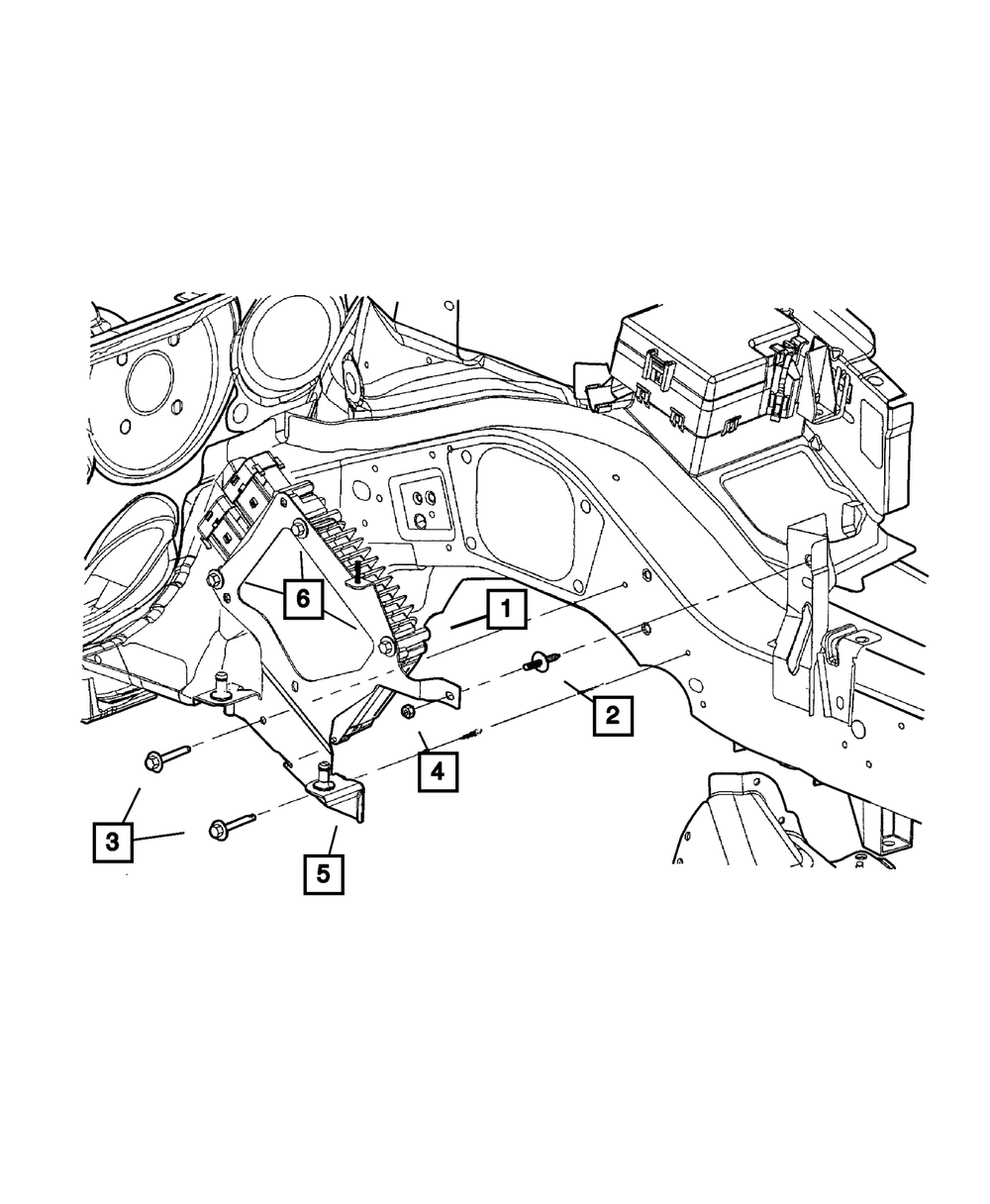
Part can be found as reference #1 in illustration

Engine Controller Module - Mopar (R4896784AE)

2002 Mopar - r4896784ae

Details

  • Brand:

    Mopar Parts

  • SKU:

    R4896784AE

  • Other Names:

    Module

  • Replaces:

    4896784ae, rl896784ae

Invalid Postal Code
Earn $75 for Today's Order