Start the year strong with free shipping on orders $200+ — automatically applied at checkout (up to $50). Ends 1/31/26.

Mopar® Authentic Parts & Accessories

hamburger

Select a Vehicle

Body Hold Down Cushion - Mopar (55366481AC)

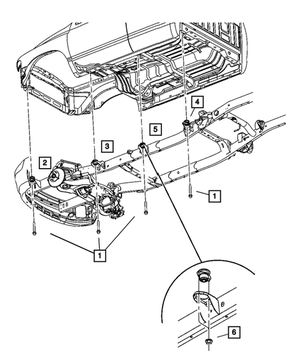
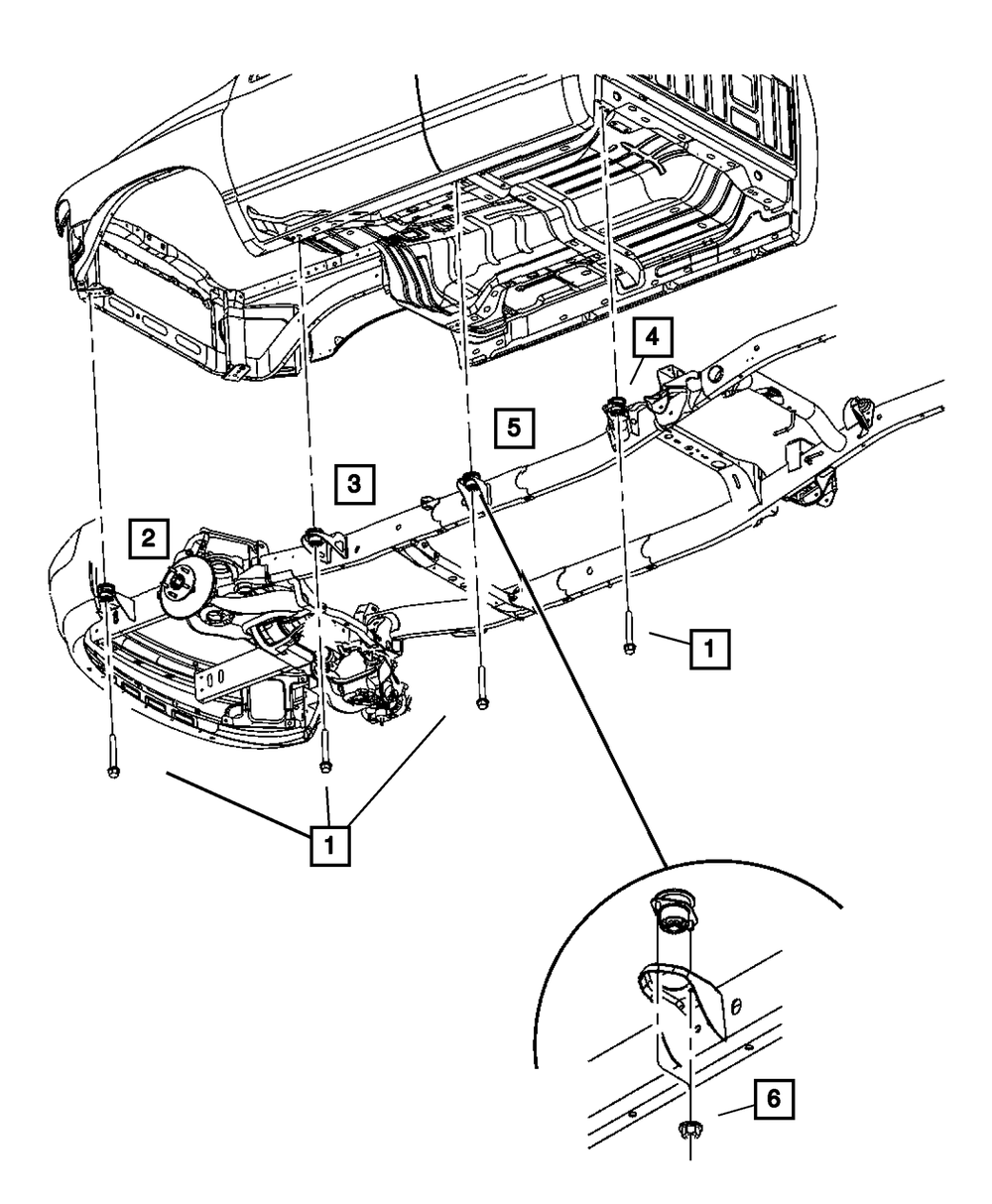
Part can be found as reference #5 in illustration

Body Hold Down Cushion - Mopar (55366481AC)

2006-2026 Mopar - 55366481ac

Details

  • Brand:

    Mopar Parts

  • SKU:

    55366481AC

  • Other Names:

    Cushion

  • Description:

    Quad Load

  • Condition: New
  • Applications: Chassis 60" CA Regular Cab 4x2. Chassis 60" CA Regular Cab 4x4. Chassis 84" CA Regular Cab 4x2. Chassis 84" CA Regular Cab 4x4. 60" CA Chassis Crew Cab 4x2. 60" CA Chassis Crew Cab 4x4. 4x4 Mega Cab 4x2. 4x4 Quad Cab 4x2 Long Wheelbase. 4x4 Quad Cab 4x2 Short Wheelbase. 4x4 Regular Cab 4x2.
  • Replaces:

    55366481ab

MSRP $78.05
Invalid Postal Code
Earn $75 for Today's Order

Vehicle Fitment

Vehicle Fitment
Year Make Model Body & Trim Engine & Transmission
( more fitments)
No fitment data available